Thermal Storage

Mobirise Website Builder
Mobirise Website Builder
Mobirise Website Builder
Mobirise Website Builder
Mobirise Website Builder
Mobirise Website Builder
Sacramento Central Utility Plant

Central Utility Plant serving  27 capital buildings in Sacramento California.  Plant provides chilled water and steam via tunnel system to a variety of office buildings including the state capitol building.  RACI was a subconsultant design firm and provided all the piping and equipment layout for the central plant and designed the control system layout.  A prominent feature of the plant is the thermal storage tank with 4 million gallons of storage capacity.  The chilled water service in several capital office buildings exceeded the 140 foot tank height and required pressure sustaining designs provided by RACI.

World's Tallest Building - Thermal Ice Storage

Mobirise Website Builder
Mobirise Website Builder
Mobirise Website Builder
Taipei 101

Taipei World Financial Center, is a supertall skyscraper in Taipei, Taiwan. The building was officially classified as the world's tallest from its opening in 2004 (surpassed with the 2009 completion of the Burj Khalifa in Dubai)  Upon completion, it became the world's first skyscraper to exceed a height of half a kilometer. Taipei 101 is the tallest building in Taiwan.  RACI provided mechanical design layout assistance for the ulta-efficient chiller plant and ice storage system.  Additionally, RACI provided the control design for the project.  The chiller plant and ice storage are in the lower level.  A system of heat exchangers on intermediate floors cascades the chilled water cooling up through the 101 above ground floors.

Solar

Mobirise Website Builder
Mobirise Website Builder
Mobirise Website Builder
Mobirise Website Builder
Mobirise Website Builder
Mobirise Website Builder
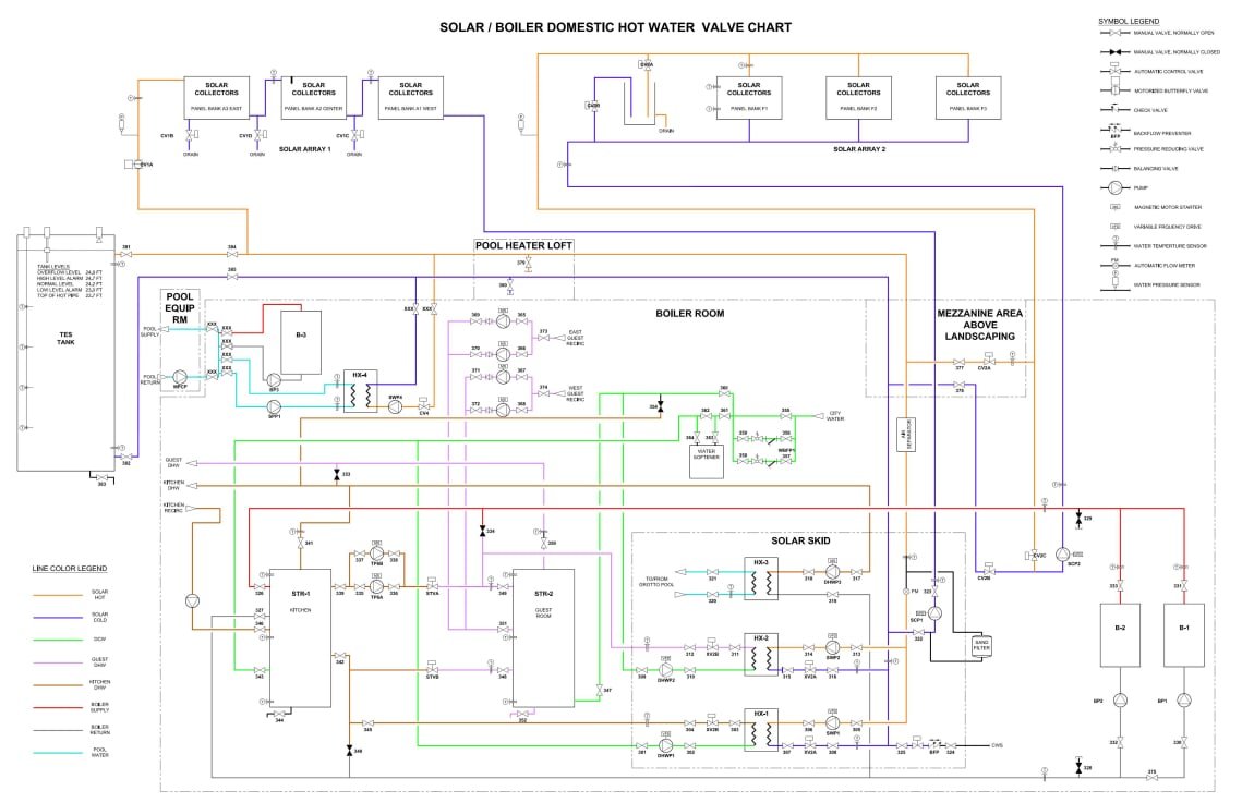
Scottsdale Resort

Solar thermal heating project at Resort in Scottsdale Arizona.  Two arrays of solar panels oriented to optimize early morning and daytime solar capture.  Thermal storage tank stores heated water and provides 24 hour domestic hot water for the facility.  Two thermal gradiant tanks provide heating water; one serves 400 guest rooms; a second serves multiple kitchens.  Excess heating, when available, is used for the expansive guest swimming pools.  RACI engineering provided the mechanical and controls design.

Natural Ventilation

Mobirise Website Builder
Mobirise Website Builder
Mobirise Website Builder
Mobirise Website Builder
Community College

RACI provided control integration for three natural ventilation buildings at the college.  The system takes advantage of the NOAA weather prediction to provide night cooling for the floor slabs based on tomorrows predicted high temperature.  Additionally, the windows serve as a daytime economizer opening to maintain indoor temperature when outside conditions permit.  Windows opening is modulated to match indoor temperature requirements.

Radiant Floor

Mobirise Website Builder
Mobirise Website Builder
Mobirise Website Builder
Mobirise Website Builder
Mobirise Website Builder
Mobirise Website Builder
Community College

RACI provided control integration for combined radiant heating/cooling system at two buildings at the college. The system takes advantage of the NOAA weather prediction to determine the operational mode (heating, cooling, or radiant off) for the following day.   Zone radiant flow modulates to maintain slab temperatures imbedded in each zone.  Zones are reset by space temperature.  Additionally, RACI provided extensive commissioning services (Cx) for both projects.

Chilled Water Facility Interconnect

Mobirise Website Builder
Mobirise Website Builder
Mobirise Website Builder
Mobirise Website Builder
Microchip Manufacturer

Retrofit extension of a centralized chilled water system to originally stand-alone campus buildings can be a mechanical, architectural, and financial challenge.  Failure of rooftop DX units with outdated refrigerant coupled with efficiency savings allowed this conversion to chilled water.  RACI provided initial energy saving analysis, mechanical, and control design for the project.

Chilled Water Distribution

Mobirise Website Builder
Mobirise Website Builder
Mobirise Website Builder
Mobirise Website Builder
Facility Central Distribution System

RACI specializes in large distribution systems for district and campus heating / cooling systems.

Home
contact

Created with ‌

HTML Builder